产品说明:
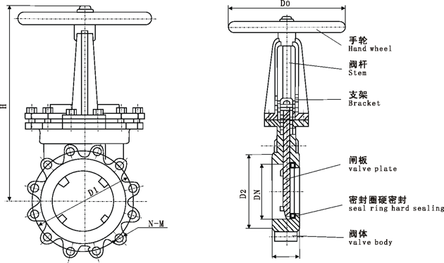
手动刀形闸阀PZ73H
设计制造 Design and manufacture: JB/T8691-1998
结构长度 structural length: GB/T15188.2-94
法兰连接 Flange connection: GB/T9113.1-2000 JB/T79-94
试验与验收 testing and acceptance: GB/T13927-92
主要零部件材质 Key parts material
| 阀体、上盖Valve body, upper cap | 碳钢、不锈钢Carbon steel, stainless steel |
| 阀板Valve plate | 不锈钢stainless steel |
| 阀杆Stem | 不锈钢stainless steel |
| 密封圈Seal ring | 橡胶、四氟、不锈钢、硬质合金Rubber, PTFE, stainless steel,hard alloy |
主要性能规范 Key performance indicators
| 公称压力Nominal pressure | PN |
| 壳体试验Casing test | 1.5XPN |
| 密封试验Leak test | 1.1XPN |
| 工作温度Operating temperature | 橡胶≤80℃ 四氟密封≤180℃ 硬密封≤425℃Rubber 80℃, PTFE≤180℃, hard sealing ≤425℃ |
| 适用介质Working medium | 糖浆、纸浆、污水、煤浆、灰、渣水混合物Syrup, paper pulp, sewage, coal slurry, dust, slag-water mix |
主要外形及连接尺寸Profile and connection dimension Unit:mm
| 公称压力Nominal pressure(MPa) | 公称通径Nominal through diameter(mm) | L | D | D1 | D2 | H | N-M | D0 |
| 1.0 | 50 | 48 | 160 | 125 | 100 | 285 | 4-M16 | 180 |
| 65 | 48 | 180 | 145 | 120 | 298 | 4-M16 | 180 | |
| 80 | 50 | 195 | 160 | 135 | 315 | 4-M16 | 220 | |
| 100 | 50 | 215 | 180 | 155 | 365 | 8-M16 | 220 | |
| 125 | 57 | 245 | 210 | 185 | 400 | 8-M16 | 230 | |
| 150 | 57 | 280 | 240 | 210 | 475 | 8-M20 | 280 | |
| 200 | 70 | 335 | 295 | 265 | 540 | 8-M20 | 360 | |
| 250 | 70 | 390 | 350 | 320 | 630 | 12-M20 | 360 | |
| 300 | 76 | 440 | 400 | 368 | 780 | 12-M20 | 400 | |
| 350 | 76 | 500 | 460 | 429 | 885 | 16-M20 | 400 | |
| 400 | 89 | 565 | 515 | 482 | 990 | 16-M22 | 400 | |
| 450 | 89 | 615 | 565 | 532 | 1100 | 20-M22 | 530 | |
| 500 | 114 | 670 | 620 | 585 | 1200 | 20-M22 | 530 | |
| 600 | 114 | 780 | 725 | 685 | 1450 | 20-M27 | 600 | |
| 700 | 130 | 895 | 940 | 800 | 1700 | 24-M27 | 600 | |
| 800 | 130 | 1010 | 950 | 905 | 2000 | 24-M30 | 680 | |
| 900 | 140 | 1110 | 1050 | 1005 | 2300 | 28-M30 | 680 |
温馨提示:如果想了解更多信息,可以鼠标滑动文字区域下拉查看
手机登入网站请扫二维码 ↓