当前位置:首页 >> 刀闸阀

刀闸阀 Knife gate valve

按产品分类分:刀闸阀球阀闸门闸阀截止阀蝶阀止回阀眼镜阀其他

按产品用途分:化工水处理煤电厂食品造纸石油展区

手动对夹式刀形闸阀
  • 手动对夹式刀形闸阀

产品名称:手动对夹式刀形闸阀

上一条:手动刀形闸阀
下一条:气动刀形闸阀

产品说明:


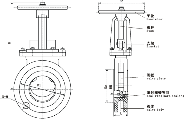
手动对夹式刀形闸阀PZ73H

设计制造 Design and manufacture: JB/T8691-1998
结构长度 structural length: GB/T15188.2-94
法兰连接 Flange connection: GB/T9113.1-2000 JB/T79-94
试验与验收  testing and acceptance:GB/T13927-92
主要零部件材质 Key parts material

 


主要性能规范  Key performanceindicators

阀体、上盖Valve body, upper cap碳钢、不锈钢Carbon steel, stainless steel
阀板Valve plate不锈钢stainless steel
阀杆Stem不锈钢stainless steel
密封圈Seal ring橡胶、四氟、不锈钢、硬质合金Rubber, PTFE, stainless steel,hard alloy
公称压力Nominal pressurePN
壳体试验Casing test1.5XPN
密封试验Leak test1.1XPN
工作温度Operating temperature橡胶≤80℃ 四氟密封≤180℃  硬密封≤425℃Rubber ≤80℃, PTFE≤180℃, hard sealing ≤425℃
适用介质Working medium糖浆、纸浆、污水、煤浆、灰、渣水混合物Syrup, paper pulp, sewage, coal slurry, dust, slag-water mix

 

温馨提示:如果想了解更多信息,可以鼠标滑动文字区域下拉查看

手机登入网站请扫二维码 ↓