当前位置:首页 >> 刀闸阀

刀闸阀 Knife gate valve

按产品分类分:刀闸阀球阀闸门闸阀截止阀蝶阀止回阀眼镜阀其他

按产品用途分:化工水处理煤电厂食品造纸石油展区

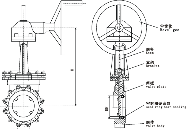
伞齿轮对夹式刀形闸阀
  • 伞齿轮对夹式刀形闸阀

产品名称:伞齿轮对夹式刀形闸阀

产品说明:
伞齿轮对夹式刀形闸阀PZ573H

产品概述
该产品为伞齿轮驱动,操作轻松灵活,常用于较大口径或较高压力场合人工手动操作。
  

公称通径Nominal through diameter506580100125150200
高度Height370400440510580690800
公称通径Nominal through diameter250300350400450500600
高度Height960120013601550170019002400

温馨提示:如果想了解更多信息,可以鼠标滑动文字区域下拉查看

手机登入网站请扫二维码 ↓